^

AR# 38786 ML605 - Differential termination might be needed on fanout buffer

The ML605 omits 100 ohm differential termination resistors on certain inputs of the ICS854104 Differential-to-LVDS fanout buffers.These might need to be added in by hand.
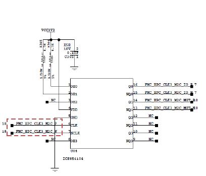
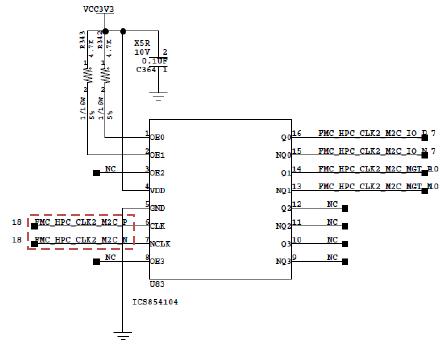
100 ohm differential resistors are needed on the inputsof the ICS854104 buffers on the ML605, U83 and U84.These can be added by hand if the FMC Daughter Card used with the ML605 does not provide termination resistors on the specific pins.The affected signals which require the differential resistors are:
  • FMC_CLK2_M2C_P
  • FMC_CLK2_M2C_N
  • FMC_CLK3_M2C_P
  • FMC_CLK3_M2C_N

These pins are easily identified in the ML605 schematics and are highlighted below.

FMC_CLK2_M2C_P and FMC_CLK2_M2C_N:





FMC_CLK3_M2C_P and FMC_CLK3_M2C_N:




The pins requiring the termination are 6 and 7 on both U83 and U84 (shown in the following image):


AR# 38786
Date Created 10/29/2010
Last Updated 01/21/2013
Status Active
Type General Article
Boards & Kits
  • Virtex-6 FPGA ML605 Evaluation Kit
Feed Back