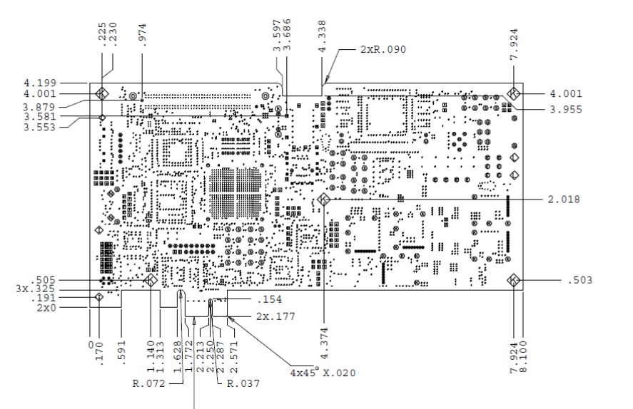
Spartan-6 FPGA SP605 Evaluation Kit dimensions have changed in order to make the SP605 CE compliant.
This change in dimensions was needed to implement extra EMI filter circuitry around each regulator on the kit.


| Answer Number | Answer Title | Version Found | Version Resolved |
|---|---|---|---|
| 33839 | SP605 - Known Issues and Release Notes Master Answer Record | N/A | N/A |